0086 15335008985
Fő jellemzők és alkalmazások
A ZBY sorozat bányászati robbanásbiztos integrált szelep elektromos eszköz (a továbbiakban: elektromos eszköz) az intelligens vezérlési mecHanizmus új generációja a bányászati szelepek számára. Intelligens vezérlőegységgel érkezik, és elektromechanikai integrációs mechanizmussal tervezték, amely a helyszíni vezérlést, a központosított vezérlést és a bányászati szelepek távvezérlését képes elérni anélkül, hogy külön vezérlőDoboz lenne. Konfigurálható Modbus, Profibus és egyéb buszkommunikáció: 485 busz interfészgel az adatkommunikáció elérése érdekében. Ez az elektromos eszközsorozat nagyon kényelmes a felhasználók számára, hogy telepíthessenek, hibakeresést és karbantarthassanak, ami nagymértékben megtakaríthatja a telepítési költségeket és lerövidítheti a telepítési ciklusokat. Különösen megtervezték és gyártják a szénbányák felhasználási feltételeire és intelligens fejlesztésére. A ZBY elektromos beszerelése alkalmas szelepekhez, amelyek szeleplemezek, például kapuszelepek, vízelosztó szelepek, vízkapu szelepek stb.; Kétlépcsős redukciós sebességváltó hozzáadása után használható a szeleplemez 90 fokos forgatásával, például pillangószelepekkel, lengéscsillapítókkal stb.
Tervezési és gyártási szabványok a ZBY sorozat bányászati robbanásbiztosítási integrált szelep elektromos eszközhöz
| Q/3204CN 004-2019 | Műszaki feltételek az enyém lángvérte integrált szelep elektromos eszközhöz |
| GB3836.1-2010 | Robbanásveszélyes légkör 1. rész: Általános követelmények a berendezésekre |
| GB3836.2-2010 | Robbanásveszélyes atmoszférák 2. rész: A "D" lángszóróval védett berendezések |
Robbanásbiztos típus: Bányászati robbanásbiztos típus, a robbanásbiztos jel Exd I MB
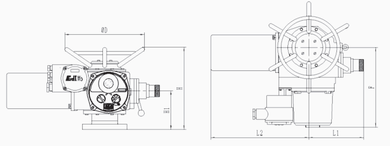
Vázlat- és méretű táblázat
| Modelll | H | H1 | L1 | L2 | F | φd |
| ZBY10/ZBY15/ZBY20/ZBY30 | 300 | 130 | 200 | 295-385 | 410 | 350 |
| ZBY45/ZBY60 | 430 | 195 | 280 | 440 | 435 | 470 |
| ZBY90/ZBY120 | 440 | 195 | 285 | 530 | 465 | 500 |
ZB/ZBY modell specifikációk és fő teljesítményparaméterek
| Modell specifikációk | Névleges nyomaték (N · m) | Maximális szár átmérője (MM) | A fordulók maximális száma (fordulók) | Kézi sebesség arány | Kimenési sebesség (R/perc) | Motor teljesítmény (KW) | Motoros áram (A) | Referencia súlya (Kg) | |
| 660V -os | 380 V -os | ||||||||
| ZB/ZBY10 | 100 | 28 | 400 | 1: 1 | 24 | 0.25 | 0.75 | 1.3 | 64 |
| ZB/ZBY15 | 150 | 28 | 400 | 1: 1 | 24 | 0.37 | 0.92 | 1.6 | 65 |
| ZB/ZBY20 | 200 | 40 | 400 | 1: 1 | 24 | 0.55 | 1.4 | 2.4 | 67 |
| ZB/ZBY30 | 300 | 40 | 400 | 1: 1 | 24 | 0.75 | 1.8 | 3.0 | 69 |
| ZB/ZBY45 | 450 | 48 | 400 | 1: 1 | 24 | 1.1 | 1.9 | 3.4 | 114 |
| ZB/ZBY60 | 600 | 48 | 400 | 1: 1 | 24 | 1.5 | 2.6 | 4.5 | 120 |
| ZB/ZBY90 | 900 | 60 | 400 | 1: 1 | 24 | 2.2 | 3.8 | 6.5 | 144 |
| ZB/ZBY120 | 1200 | 60 | 400 | 1: 1 | 24 | 3 | 4.7 | 8.2 | 147 |
| ZB180 | 1800 | 70 | 400 | 22.5: 1 | 24 | 5.5 | 7.5 | 13 | 264 |
| ZB250 | 2500 | 70 | 400 | 22.5: 1 | 24 | 7.5 | 9.5 | 16.5 | 269 |
| ZB350 | 3500 | 75 | 400 | 22.5: 1 | 24 | 11 | 12.1 | 21 | 275 |
Megjegyzés: Egyéb sebességek biztosíthatók a felhasználói igények kielégítéséhez.
A ZB/ZBY és a szelepcsatlakozás szerkezeti vázlatos diagramja és mérete
| Model | Nyomaték típusa JB2920 | |||||||||||
| Karimaszám | D | D1 | D2 (H9) | H1 | f | h | D1 | d2 | d | n | α | |
| ZB/ZBY10/15 | 2 | 145 | 120 | 90 | 2 | 4 | 8 | 30 | 45 | M10 | 4 | 45 ° |
| ZB/ZBY20/30 | 3 | 185 | 160 | 125 | 10 | 42 | 58 | M12 | ||||
| ZB/ZBY45/60 | 4 | 225 | 195 | 150 | 5 | 12 | 50 | 72 | Φ18 | |||
| ZB/ZBY90/120 | 5 | 275 | 235 | 180 | 14 | 62 | 82 | Φ22 | ||||
| ZB180/250 | 7 | 330 | 285 | 220 | 3 | 6 | 16 | 72 | 98 | Φ26 | ||
| ZB350 | 8 | 380 | 340 | 280 | 20 | 83 | 118 | Φ22 | 8 | 22,5 ° | ||














